保定市天澔管道测量有限公司主营业务:济南水平衡测试、济南漏水检测、济南水土保持方案、济南水资源论证等,欢迎来电咨询!

天澔管道-多年专注于

管道漏水检测·测绘工程等服务

咨询热线

18932672226

网站首页 走进天澔 业务范围 工程案例 新闻动态 人才招聘 联系天澔

济南GB/T 12452-2008《企业水平衡测试通则》

发布时间:2022-07-28 14:07:29   来源:http://jinan.bdthcl.com/   作者:天澔管道测量公司   浏览:13810次

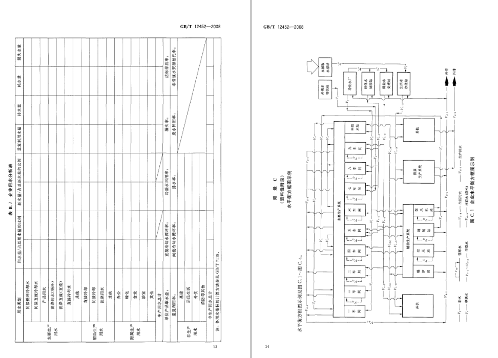
image.png


image.png

image.png


image.png


image.png


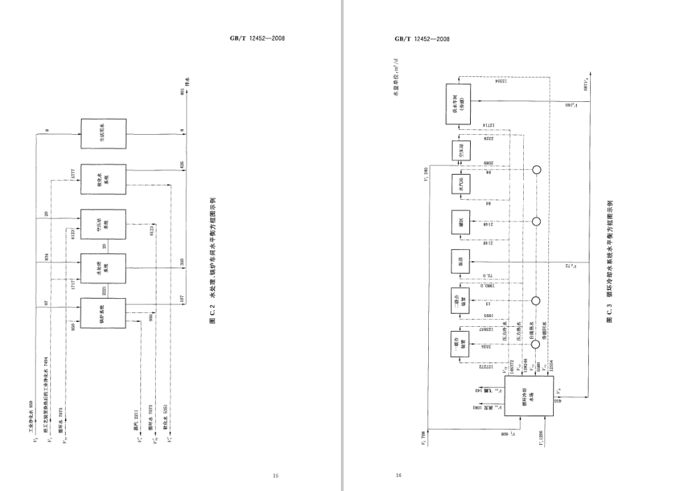
image.png


image.png


image.png


image.png


本文济南GB/T 12452-2008《企业水平衡测试通则》:http://jinan.bdthcl.com/hangyebiaozhun/71.html由保定天澔管道测量公司小编整理发布,欢迎浏览阅读。

免责声明:我公司部分文章信息来源于网络,本网站只负责对文章进行整理、排版、编辑,如本站文章和转稿涉及版权等问题,请作者及时联系本站管理人员,我们会尽快处理。

下一篇:没有了